专业自控阀门10载以上
工恒阀门[工匠精神][品质永恒]
联系方式
021-80392609
15601629388
您当前的位置: 主页 > 阀门标准

阀门标准

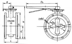
D341W-1C、D941W-1C型电动高温蝶阀、蜗轮高温蝶阀

D341W-1C、D941W-1C型电动高温蝶阀、蜗轮高温蝶阀

主要性能参数 D341W-1C、D941W-1C型 电动高温蝶阀 、蜗轮高温蝶阀主要性能参数 型号 PN 工作压力/Mpa 适用温度/℃ 适用介质 介质流速/(m/s) 材料 泄漏率 阀体、阀板 阀轴 填料 D341W-1C 1 0.1 常温 煤气、空气、烟道气 30 0.5% Q235(A3) 45 石棉绳 D941W-1C...
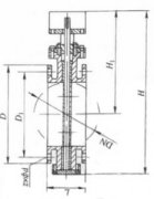
D940X-0.5C型电动杠杆式蝶阀

D940X-0.5C型电动杠杆式蝶阀

主要性能参数 D940X-0.5C型电动杠杆式 蝶阀 主要性能参数 型号 PN 工作压力/Mpa 适用温度/℃ 适用介质 材料 阀体 蝶板 阀杆 密封圈 D940X-0.5 0.5 0.05 -30- 100 空气等 Q235A Q235A 铬不锈钢 氟橡胶 主要外形及结构尺寸 D940X-0.5C型电动杠杆式蝶阀主要外形...
电动蝶阀型号释义

电动蝶阀型号释义

标准的电动蝶阀型号应该包括产品的一些基本配置信息,包括阀门类型、控制方式、连接方式、结构形式、密封材质、压力等级、阀门材质等。例如型号D971X-16C是指驱动方式为电动,对夹式连接、中线型电动蝶阀,并且采用橡胶密封、压力等级为PN16、阀体材质为WCB。...
D41X-6、D41X-10型手柄法兰蝶阀

D41X-6、D41X-10型手柄法兰蝶阀

主要性能参数 D41X-6、D41X-10型手柄 法兰蝶阀 主要性能参数 型号 PN 工作压力/Mpa 适用温度/℃ 适用介质 材 料 阀体 蝶板 阀杆 密封副 填料 D4IX-6 6 0.6 60 水、油品、空气 灰铸铁 球墨铸铁 铬不锈钢 铜合金阀座 /耐油橡胶 柔性石墨 D41X-10 10 1.0 主要外...
气动球阀打不开原因分析

气动球阀打不开原因分析

气动球阀打不开时,要先找出原因,比如选型不当、执行器配置过小等,然后有针对性的提出整改方案。情况一, 气动球阀 在没有安装到管道时,在5bar气源压力下能够正常打开或关闭,但是动作比较缓慢;安装到管道调试时,在管道压力的作用下,阀门就不能正常开关...