专业自控阀门10载以上
工恒阀门[工匠精神][品质永恒]
联系方式
021-80392609
15601629388
您当前的位置: 主页 > 阀门标准

阀门标准

D342X、D642X、D942X型PN1.0~1.6Mpa单偏心软密封蝶阀

更新时间  2015-03-20 13:39 阅读

主要性能规范

D342X、D642X、D942X型PN1.0~1.6Mpa单偏心软密封蝶阀主要性能规范
型号 公称压力
PN/MPa
试验压力/Mpa 适用温度 适用介质
壳体试验 密封试验
D342X-10
D642X-10
D942X-10
1.0 1.5 1.1 ≤80 水.油品、气体等
D342X-16
D642X-16
D942X-16
1.6 2.4 1.76

主要零部件材料

D342X、D642X、D942X型PN1.0~1.6Mpa单偏心软密封蝶阀主要零部件材料
零件名称 阀体 蝶板 阀杆 阀体密封面 填料
材料 灰铸铁 球墨铸铁表面处理 铬不锈钢 橡胶 0形橡胶圈

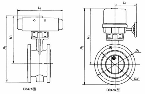
主要外形及结构尺寸

D342X-10、D642X-10、D942X-10型单偏心软密封蝶阀主要外形及结构尺寸(mm)
公称通径
DN/mm
L D D1 D2 Z-φd D342X D642X D942X
H1 L1 H1 L1 H1 L1
50 108 I6S 123 102 4-φ18 228 154 256 226 342 190
65 112 185 145 122 4-φ18 240 154 276 226 356 190
80 114 200 160 133 8-φ18 323 154 313 226 368 190
100 127 220 180 158 8-φ18 330 154 318 226 411 190
125 140 250 210 184 8-φ18 330 154 319 470 412 190
150 140 285 240 212 8-φ22 368 154 411 470 506 190
200 152 340 295 268 8-φ22 444 238 508 470 524 190
250 165 395 350 320 12-φ22 478 238 545 470 557 190
300 178 445 400 370 12-φ22 546 227 581 610 565 190
350 190 505 460 430 16-φ22 568 227 614 610 598 190
400 216 565 515 482 16-φ24 580 270 658 1100 698 223
500 229 670 620 585 20-φ26 702 338 723 1100 915 223
600 267 780 725 685 20-φ30 741 385 773 1119 990 223
700 430 895 840 800 24-φ30 872 385 836 1406 990 223
800 470 1015 950 905 26-φ33 931 385 891 1406 1035 223
900 310 1115 1050 1005 28-φ33 981 545 941 1406 1243 223
1000 550 1230 1160 1110 28-φ36 1026 620 993 1406 1750 223
1200 630 1455 1380 1330 32-φ39 1140 620 1123 1406 1856 223
D342X-16、D642X-16、D942X-16型单偏心软密封蝶阀主要外形及结构尺寸(mm)
公称通径
DN/mm
L D D1 D2 Z-φd D342X D642X D942X
H1 L1 H1 L1 H1 L1
50 108 165 125 102 4-φ18 228 154 256 226 342 190
65 112 185 145 122 4-φ18 240 154 276 226 356 190
80 114 200 160 133 8-φ18 323 154 313 226 368 190
100 127 220 180 158 8-φ18 330 154 318 226 411 190
125 140 250 210 184 8-φ18 330 154 319 470 412 190
150 140 285 240 212 8-φ22 368 154 411 470 506 190
200 152 340 295 268 12-φ22 444 238 508 470 524 190
250 165 405 355 320 12-φ26 478 238 545 470 557 190
300 178 460 410 370 12-φ26 546 227 581 610 565 190

产品外形结构尺寸图

D342X-10型单偏心软密封蝶阀主要外形及结构尺寸图

D642X-10、D942X-10型单偏心软密封蝶阀主要外形及结构尺寸图