专业自控阀门10载以上
工恒阀门[工匠精神][品质永恒]
联系方式
021-80392609
15601629388
您当前的位置: 主页 > 产品展示 > 旋塞阀

旋塞阀

X43W-0.6P/RC二通铸钢法兰式旋塞阀
X43W-0.6P/RC二通铸钢法兰式旋塞阀
产品型号:X43W
口径(DN):10-200(mm)
压力(PN):1.0Mpa
产品价格: 电议
在线咨询
  • 产品详情

    旋塞阀概述

    X43W-0.6P/RC二通铸钢法兰式旋塞阀是关闭件成柱塞形的旋转阀,通过旋转90度使阀塞上的通道口与阀体上的通道口相通或分开,实现开启或关闭的一种阀门。阀塞的形状可成圆柱形或圆锥形。在圆柱形阀塞中,通道一般成矩形;而在锥形阀塞中,通道成梯形。这些形状使旋塞阀的结构变得轻巧,但同时也产生了一定的压力损失。

    旋塞阀适于作为切断和接通介质以及分流使用,但是依据使用的性质和密封面的耐冲蚀性,有时也可用于节流。由于旋塞阀密封面之间运动带有擦拭作用,而在全开时可完全防止与流动介质的接触,故它通常也能够用于带悬浮颗粒的介质。旋塞阀的另一个重要特性是它易于适应多通道结构.以致一个阀可以获得两个、三个,甚到四个不同的流道。这样可以简化管道系统的设计,减少阀门用量以及设备中需要的一些连接配件。

    旋塞阀广泛地应用于油田开采、输送和精炼设备中,同时也广泛用于石油化工、化工、煤气、天然气、液化石油气、暖通行业以及一般工业中。

     

    旋塞阀型号编制说明

    旋塞阀型号编制说明
    阀门类型 传动方式 连接形式 结构形式 密封材质 公称压力 阀体材质
    X:旋塞阀 为手动时,
    此栏不写
    4:法兰 3:填料直通式 W:本体 -10:PN1.0MPa P:铬镍钛不锈钢
    R:铬镍钼钛不锈钢
    C:铸钢

    主要性能规范

    X43W-0.6P/RC 二通铸钢法兰式旋塞阀主要性能规范
    型号 公称压力
    PN(MPa)
    试验压力PS(MPa) 适用介质 工作温度(℃)
    壳体 密封
    X43W-0.6
    X43W-0.6T
    0.6 0.9 0.6 煤气、油品 ≤100
    X43W-0.6P 0.6 0.9 0.6 硝酸类 ≤250
    X43W-0.6R 0.6 0.9 0.6 醋酸类 ≤250
    X43W-0.6C 0.6 0.9 0.6 水、油品 ≤200

    主要零件材料

    X43W-0.6P/RC 二通铸钢法兰式旋塞阀主要零件材料
    零件名称 阀体 塞子 填料压盖 填料
    X43W-0.6 灰铸铁 灰铸铁 可锻铸铁 油浸石棉盘根
    柔性石墨
    X43W-0.6T 铸铜 铸铜 铸铜
    X43W-0.6P 铬镍钛不锈钢 铬镍钛不锈钢 不锈钢
    X43W-0.6R 铬镍钼钛不锈钢 铬镍钼钛不锈钢 不锈钢
    X43W-0.6C 铸钢 铸钢 铸钢

    主要连接尺寸

    X43W-0.6P/RC 二通铸钢法兰式旋塞阀主要连接尺寸(mm)
    公称通径
    DN(mm)
    尺寸(mm)
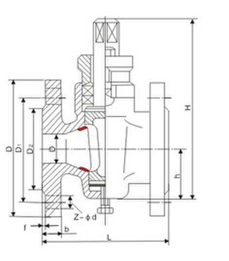
    L D D1 D2 Z-¢d
    10 80 75 50 32 4×12
    15 80 80 55 40 4×12
    20 90 90 65 50 4×12
    25 100 100 75 60 4×12
    32 115 120 90 70 4×14
    40 130 130 100 80 4×14
    50 145 140 110 90 4×14
    65 160 160 130 110 4×14
    80 200 185 150 125 4×18
    100 230 205 170 145 4×18
    125 250 235 200 175 8×18
    150 320 260 225 200 8×18
    200 350 315 280 255 8×18

    产品外形结构尺寸图

    X43W-0.6P/RC 二通铸钢法兰式旋塞阀主要连接尺寸图

    旋塞阀的选用原则

    根据旋塞阀的结构待点和设计上所能达到的功能,建议按下列原则选用:
    (1)用于分配介质和改变介质流动方向。其工作温度≤300℃、公称压力镇1.6MPa、公称通径≤300mm,建议选用多通路旋塞阀。
    (2)牛奶、果汁、啤酒等食品企业及制药厂等的设备和管路上,建议选用奥氏体不锈钢制的紧定式圆锥形旋塞阀。
    (3)油田开采、天然气田开采、管道输送的支管、精炼和清洁设备中,公称压力级≤CL300、公称通径≤300mm、工作温度≤340℃,建议选用油封式圆锥形旋塞阀。
    (4)油田开采、天然气田开采、管道输送的支管、精炼和清洁设备中,公称压力级≤CL2500、公称通径≤900mm、工作温度≤340℃,建议选用压力平衡式倒圆锥形旋塞阀。
    (5)在大型化学工业中,含有腐蚀性介质的管路和设备上,要求开启或关闭速度较快的场合,对于以硝酸为基的介质,可选用1Crl8Ni9不锈钢制的聚四氟乙烯套筒密封圆锥形旋塞阀;对于以醋酸为基的介质,可选用Cr18Ni12Mo2Ti不锈钢制的聚四氟乙烯套简密封圆锥形旋塞阀。
    (6)在煤气、天然气、暖通系统的管路中和设备上,当公称压力≤1. OMPa、公称通径≤200mm,宜选用填料式圆锥形旋塞阀。


    声明:本文中所有文字、数据、图片均只适用于参考,X43W-0.6P/RC二通铸钢法兰式旋塞阀性能参数、结构尺寸参数、价格等详情,请联系我们,电话:021-80392609。