产品概述
ZRSM电动套筒调节阀是一种压力平衡型调节阀,采用 套筒导向,压力平衡型双密封面阀芯机构,配用多弹簧气动 执行机构或电动执行机构。流道呈 S 流线性,整体具有工作 平衡、允许压差大、流量特性精确、噪音低等特点。特别适 用于流量大,阀前后压差较大、泄露要求不搞的场合。
本系列产品有常温型、高温型、低温型、调节切断型、 波纹管密封型等多种形式。产品公称压力等级有 PN1.6、4.0、6.4、10.0;阀体口径范围 DN20-300,适用流体温度-196-+560℃范围内多种档次。泄露等级有Ⅳ级、Ⅴ级、Ⅵ级。流 量特性有直线、等百分比特性。多种品种规格可供选择。
本系列调节阀采用模块化设计,可采用不同组合、配用各种附件。
主要技术参数
ZRSM电动套筒调节阀主要技术参数
|
阀体部分 |
|
阀体形式 |
直通铸造球型阀 |
|
阀体材质 |
ZG230-450 ZG1Cr18Ni9 |
|
公称通径 |
DN20-DN300 |
|
公称压力 |
PN1.6 2.5 4.0 6.4 10.0MPa
ANSI 150 300 600LB
JIS 10K 20K 30K 40K |
|
连接形式 |
法兰:FF RF RTJ等 螺纹:适用于 1”以下 焊接:SW BW |
|
结构长度 |
符合 IEC534 |
|
阀盖型式 |
常温型 高温型 波纹管密封型 低温型 |
|
填料 |
聚四氟乙烯 柔性石墨等 |
|
密封垫 |
金属夹石墨密封垫 四氟乙烯垫等 阀内部件 |
|
阀芯型式 |
单座柱塞型 |
|
流量特性 |
线性 等百分比 |
|
内件材质 |
1Cr18Ni9Ti 1Cr18Ni9Ti+PTFE |
|
执行机构 |
|
气动 |
多弹簧式执行机构 单弹簧式执行机构 |
|
作用方式 |
气开式 气关式 |
|
电动 |
3810L系列 |
主要零件材料及内部结构

ZRSM电动套筒调节阀主要零件材料及内部结构
|
本体材质为碳钢 |
|
1 |
阀体 |
WCB |
LCB |
WC9 |
|
2 |
阀座 |
304 |
304 |
304 |
|
3 |
阀芯 |
304 |
304 |
304 |
|
4 |
导向套 |
304 |
304 |
304 |
|
5 |
阀盖 |
WCB |
LCB |
WC9 |
|
6 |
阀杆 |
304 |
304 |
304 |
|
7 |
填料 |
PTFE/柔性石墨 |
|
8 |
弹簧 |
65Mn |
|
9 |
螺母 |
304 |
304 |
304 |
|
本体材质为不锈钢 |
|
1 |
阀体 |
CF8 |
CF8M |
CF3M |
|
2 |
阀座 |
304 |
316 |
316L |
|
3 |
阀芯 |
304 |
316 |
316L |
|
4 |
导向套 |
304 |
316 |
316L |
|
5 |
阀盖 |
CF8 |
CF8M |
CF3M |
|
6 |
阀杆 |
304 |
316 |
316L |
|
7 |
填料 |
PTFE/柔性石墨 |
|
8 |
弹簧 |
65Mn |
|
9 |
螺母 |
304 |
316 |
316L |
注:以上为标准配置结构,标准的阀体材料是碳钢和不锈钢,也可根据用户需求进行配置。
阀盖型式

注:常温型:常温型工作温度-20-+200℃,泄露等级为Ⅳ级。高温型阀盖增设散热片,可用于介质温度-60-+450℃的场合。波纹管密封型对上下移动的阀杆形成完全的密封,堵绝流体外漏。 低温型采用加长阀盖加隔热板结构可于-196℃深冷场合。
电动调节阀规格与技术参数
ZRSM电动套筒调节阀规格与技术参数
|
公称通径 DN(mm) |
20 |
25 |
32 |
40 |
50 |
65 |
80 |
100 |
125 |
150 |
200 |
250 |
300 |
额定流
量系数
(KV) |
直线 |
6.9 |
11 |
17.6 |
27.5 |
44 |
69 |
110 |
176 |
275 |
440 |
690 |
1100 |
1760 |
|
等百分比 |
6.3 |
10 |
16 |
25 |
40 |
63 |
100 |
160 |
250 |
400 |
630 |
1000 |
1600 |
|
额定行程 L(mm) |
16 |
25 |
40 |
60 |
100 |
|
公称压力 PN(MPa) |
1.6 2.5 4.0 6.4 10.0 |
执行机
构型号 |
PSL |
201/202 |
204 |
208 |
312 |
320 |
|
3810L |
3810LSA-08 |
3810LSA-20 |
3810LSB-30 |
3810LSB-50 |
3810LSC-65 |
|
固有流量特性 |
直线、等百分比 |
|
固有可调比 |
50:01:00 |
|
工作温度 t(℃) |
普通型:铸钢-40-250;铸不锈钢-60-250 散热型:铸钢-40-450;铸不锈钢-60-450 |
|
输入信号 |
0-10mADC、4-20mADC、220VAC(开关信号) |
|
电源电压 |
220VAC 50Hz |
流量特性

ZRSM电动套筒调节阀固有流量特性对行程下的相对流量数值 单位:(%)
行程
流量特性 |
0 |
10 |
20 |
30 |
40 |
50 |
60 |
70 |
80 |
90 |
100 |
|
线性 |
2 |
11.8 |
21.7 |
32.1 |
42 |
51.2 |
61.2 |
71.1 |
80.4 |
90.5 |
100 |
|
等百分比 |
2 |
3.1 |
4.5 |
6.5 |
9.6 |
14.2 |
19.8 |
29.9 |
45.6 |
68.2 |
100 |
允许压差
ZRSM电动套筒调节阀允许压差电子式执行机构(3810L 系列) 单位(MPa)
执行机构
型号 |
输出推力
(KN) |
阀座直径 DN(mm) |
|
20 |
25 |
32 |
40 |
50 |
65 |
80 |
100 |
125 |
150 |
200 |
|
3810LSA-08 |
0.8 |
2.38 |
1.52 |
0.93 |
0.59 |
0.38 |
|
|
|
|
|
|
|
1.91 |
1.22 |
0.74 |
0.47 |
0.3 |
|
|
|
|
|
|
|
3810LSA-20 |
2 |
4.77 |
3.05 |
1.86 |
1.19 |
0.76 |
0.45 |
|
|
|
|
|
|
3.82 |
2.44 |
1.49 |
0.95 |
0.61 |
0.36 |
|
|
|
|
|
|
3810LSB-30 |
3 |
|
|
2.79 |
1.79 |
1.14 |
0.67 |
1.21 |
0.28 |
0.18 |
0.12 |
0.03 |
|
|
|
2.23 |
1.43 |
0.91 |
0.54 |
0.96 |
0.22 |
0.14 |
0.1 |
0.02 |
|
3810LSB-50 |
5 |
|
|
4.66 |
2.98 |
1.91 |
1.13 |
1.51 |
0.47 |
0.3 |
0.21 |
0.08 |
|
|
|
3.73 |
2.38 |
1.52 |
0.9 |
1.2 |
0.38 |
0.24 |
0.16 |
0.06 |
|
3810LSC-65 |
6.5 |
|
|
|
|
|
1.35 |
2.34 |
0.57 |
0.36 |
0.25 |
0.11 |
|
|
|
|
|
|
1.08 |
1.87 |
0.45 |
0.29 |
0.2 |
0.08 |
|
3810LSC-99 |
10 |
|
|
|
|
|
2.26 |
2.92 |
0.95 |
0.61 |
0.42 |
0.2 |
|
|
|
|
|
|
1.8 |
2.33 |
0.76 |
0.48 |
0.33 |
0.15 |
|
3810LSC-160 |
16 |
|
|
|
|
|
|
|
|
0.97 |
0.67 |
0.35 |
|
|
|
|
|
|
|
|
|
0.78 |
0.54 |
0.27 |
允许压差表的附注说明:填料材质为 PTFE; 介质的流向与阀芯关闭的方向相反; 金属密封型泄露等级为Ⅳ级; 数值受公称压力、等级、温度限制; 波纹管密封型 P2≠0 时须重新核对;
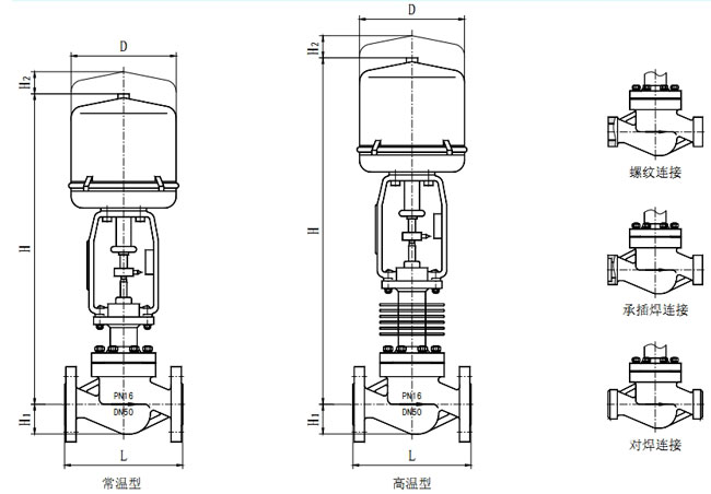
配电动执行机构外形尺寸(常温型、高温型)
ZRSM电动套筒调节阀配电动执行机构外形尺寸(常温型、高温型)单位 (mm)
|
公称通径(DN) |
20 |
25 |
32 |
40 |
50 |
65 |
80 |
100 |
125 |
150 |
200 |
250 |
300 |
结构长度
(L) |
PN16/25 |
185 |
200 |
205 |
222 |
250 |
276 |
298 |
350 |
410 |
451 |
600 |
670 |
735 |
|
PN40 |
190 |
205 |
210 |
230 |
255 |
285 |
310 |
355 |
425 |
460 |
615 |
685 |
750 |
|
PN64、100 |
200 |
210 |
220 |
251 |
286 |
311 |
337 |
394 |
440 |
475 |
630 |
700 |
765 |
常温型
(H) |
PN16/25 |
756 |
781 |
803 |
928 |
945 |
1260 |
1270 |
1294 |
1515 |
1540 |
1565 |
1816 |
2180 |
|
PN40 |
766 |
791 |
813 |
938 |
955 |
1260 |
1270 |
1329 |
1545 |
1560 |
1605 |
1892 |
2130 |
|
PN64/100 |
773 |
803 |
833 |
965 |
1000 |
1280 |
1300 |
1338 |
1575 |
1620 |
1675 |
1936 |
2202 |
高温型
(H) |
PN16/25 |
956 |
981 |
1003 |
1128 |
1145 |
1510 |
1520 |
1544 |
1835 |
1860 |
1885 |
2166 |
2530 |
|
PN40 |
966 |
991 |
1013 |
1138 |
1155 |
1510 |
1520 |
1579 |
1865 |
1880 |
1925 |
2245 |
2480 |
|
PN64/100 |
973 |
1003 |
1033 |
1165 |
1200 |
1530 |
1550 |
1588 |
1895 |
1940 |
1995 |
2286 |
2552 |
|
H1 |
PN16/25 |
53 |
58 |
68 |
73 |
80 |
90 |
98 |
108 |
123 |
140 |
168 |
203 |
230 |
|
PN40 |
53 |
58 |
68 |
73 |
80 |
90 |
98 |
115 |
135 |
150 |
188 |
223 |
255 |
|
PN64/100 |
63 |
68 |
75 |
83 |
88 |
100 |
105 |
125 |
148 |
170 |
203 |
235 |
265 |
|
H2 |
87 |
90 |
|
D |
225 |
257 |
310 |
|
压力等级 |
GB:1.6、2.5、4.0、6.4、10.0MPa ANSI:150、300、600LB JIS:10、20、30、40K |
|
执行机构 |
PSL 系列、3810 系列、DKJ 或 DKZ 系列等 |
注:表中尺寸为不带标准型附件数据。另由于产品改进技术创新参数可能有一定变化,请咨询公司技术部门索取新数据。
产品外形结构尺寸图
注:本公司是上海调节阀厂家,的调节阀种类有电动调节阀,气动调节阀,手动调节阀,流量调节阀,温度调节阀,风量调节阀压力调节阀,自力式调节阀等,工程师皆有数十年经验,欢迎您来电洽谈业务!
声明:本文中所有文字、数据、图片均只适用于参考,ZRSM电动套筒调节阀、压力平衡调节阀性能参数、结构尺寸参数、价格等详情,请联系我们,电话:021-80392609。